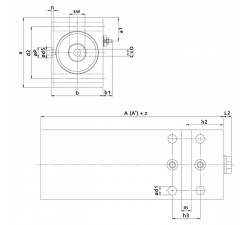
V400CL Vérin Hydraulique Intégrés • fixation X,...
Vérins hydrauliques intégrés pour courses courtes qui comprennent uniquement une cartouche filetée et une tige de piston. Vérins hydrauliques...
Fixation par trous verticaux avec orifice SpeedPorts.
Vérin compact, haute vitesse.
Fiche technique
Notes générales:
1. Pour les dimensions pour lesquelles aucune tolérance n'est indiquée, reportez-vous à la norme DIN 7168-m.
2. Veuillez noter que ces modèles et dessins 3D sont fournis à titre indicatif uniquement et qu'ils ne représentent précisément que l'interface externe du vérin Ne vous fiez à aucun dimensionnement interne du vérin déduit de ces dessins pour vos projets.
3. Pour tous les filetages femelles, nous avons décidé d'utiliser le diamètre interne et non le diamètre externe.
Exemple: un filetage femelle M12 aura un diamètre de trou de 12 mm sur le modèle 3D ou le dessin, au lieu de ~ 10,1 mm.
4. Nos vérins hydrauliques ont été conçus pour être utilisés uniquement avec du fluide hydraulique à base minérale. Si vous prévoyez d'utiliser différents fluides, veuillez contacter notre équipe d'assistance avant de commander.
Nessun problema, queste sono solo alcune delle combinazioni che possiamo fornire.
Compila il seguente form.
16 autres produits dans la même catégorie:
Vérins hydrauliques intégrés pour courses courtes qui comprennent uniquement une cartouche filetée et une tige de piston. Vérins hydrauliques...
Fixation par trous verticaux avec orifices filetés BSP (gas), côté droite. Vérin compact pour courses longues. Vérin avec ou sans predisposition...
Fixation par trous verticaux avec orifices filetés BSP (gas), côté gauche. Vérin compact pour courses courtes.
Vérins Hydrauliques Série Lourde pour courses courtes et longues avec fixation par trous verticaux et orifices intégrés dessous.
Vérins hydrauliques intégrés pour courses courtes qui comprennent uniquement une cartouche flasquée et une tige de piston. Vérins hydrauliques...
Fixation par trous verticaux avec orifices filetés BSP (gas), côté droit. Vérin base sans détecteurs mécaniques de fin de course. Vérin compact...
Vérin compact V220CC pour courses longues, fixation par trous verticaux avec orifices intégrés avec O-rings, côté dessous. Vérin avec ou sans...
Trous passants longitudinaux avec orifices filetés BSP (gas), côté droit. Vérin base sans détecteurs mécaniques de fin de course. Vérin compact...
Vérin compact V450CM pour courses courtes, fixation par trous verticaux avec orifices intégrés avec O-rings, côté dessous. Vérin base sans...
Fixation par trous verticaux avec orifices filetés BSP (gas), côté gauche. Vérin base sans détecteurs mécaniques de fin de course. Vérin compact...
Vérins Hydrauliques Série Lourde pour courses courtes et longues avec fixation par trous verticaux et orifices intégrés dessous.
Vérins hydrauliques à tige auto-bloquante, avec détecteurs de fin de course intégrés.
Fixation par trous verticaux avec orifices filetés BSP (gas), côté droit. Vérin compact pour courses courtes.
Fixation par trous verticaux avec orifices filetés BSP (gas), côté gauche. Vérin compact pour courses longues. Vérin avec ou sans predisposition...
Fixation par trous verticaux avec orifices intégrés dessous. Vérin compact pour courses courtes.
Trous passants longitudinaux avec orifices filetés BSP (gas), côté gauche. Vérin base sans détecteurs mécaniques de fin de course. Vérin compact...